Chapitre suivantIndex des CoursChapitre précedentChapitre 7

Le modele de reference OSI

LA COUCHE PHYSIQUE : NIVEAU 1

 

7. 1. INTRODUCTION

La couche physique fournit les procédures et les fonctions mécaniques, électriques et fonctionnelles nécessaires pour établir, maintenir et libérer des connexions physiques entre des ETTD. Elle assure la transmission de suites d'éléments binaires sur une liaison qui peut être permanente ou dynamique et exploitée en mode bidirectionnel simultané ou à l'alternat. La transmission à distance s'y effectue en série et on distinguera deux configurations : la liaison point par point et la liaison multipoint qui a plus de deux ETTD extrémités.

La normalisation concernant la couche physique définit d'une part les convertisseurs de signaux (ETCD) uniquement pour la transmission par transposition de fréquence - la transmission en bande de base ne fait l'objet d'aucune normalisation - et d'autre part l'interface ETTD-ETCD. Les normes ou avis du CCITT sont divisées en deux séries : série V et série X plus récente, qui remplace progressivement la première. Nous décrirons d'abord les modems normalisés au paragraphe 7.2 puis l'interface ETTD-ETCD au paragraphe 7.3 en particulier l'avis V24 et l'avis X21.

7. 2. MODEMS NORMALISÉS

7. 2. 1. Introduction

Le CCITT a entrepris la normalisation d'une gamme de modems de manière à faciliter la mise en oeuvre des liaisons de données internationales. Au fur et à mesure que la technologie progresse, de nouvelles possibilités et de nouveaux besoins apparaissent qui nécessitent la définition de nouveaux matériels de transmission, c'est pourquoi la liste des modems normalisés est loin d'être close. On peut considérer qu'un modem se caractérise au moyen de deux paramètres :

--  le (ou les) débit d'information transporté

--  les supports de transmission utilisables.

Un ensemble de débits préférentiels a été normalisé (avis V22 et V22bis). Les plus couramment utilisés sont :

--  Pour la transmission asynchrone : 300 bit/s , 600 bit/s et 1200 bit/s

--  Pour la transmission synchrone : 600 bit/s, 1200 bit/s, 2400 bit/s, 4800 bit/s, 9600 bit/s, 19200 bit/s, 48000 bit/s, 56000 bit/s, 64000 bit/s et 72000 bit/s.

Les supports de transmission considérés sont :

--  le réseau téléphonique général commuté

--  la ligne téléphonique spécialisée définie par l'avis M102

--  le canal « Groupe Primaire » (60-108 kHz) défini par l'avis H14.

Les paires métalliques dont l'usage est limité aux courtes distances ressortent davantage du domaine des communications nationales que de celui des communications internationales et n'ont pas, jusqu'à présent fait l'objet d'une normalisation de la part du CCITT. L'ensemble des modems normalisés ou en cours d'étude au CCITT est donné dans le tableau 7. 1.

7. 2. 2. Avis V21

Les principales caractéristiques du modem défini par l'avis V21 sont les suivantes :

- débit : 300 bit/s

- rapidité de modulation : 300 bauds

- type de transmission : asynchrone

- supports utilisables : réseau commuté ou lignes spécialisées 2 fils

- mode d'exploitation : bidirectionnel simultané

- principe : modulation de fréquence

-  interface logique : conforme aux avis V24 et V28.

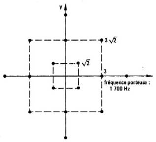
La transmission bidirectionnelle simultanée s'effectue en utilisant deux bandes de fréquence centrées respectivement sur 1080 et 1750 Hz.

Figure 7. 1. : Les modems normalisés.

Les données binaires 0 et 1 correspondent aux fréquences suivantes données dans le tableau 7.2.

Figure 7. 2. : Fréquences utilisées dans l'avis V21.

L'existence de deux bandes conduit à différencier les modems selon qu'ils émettent dans la bande inférieure ou dans la bande supérieure. Par convention, lorsque la communication est établie à travers le réseau commuté, le modem appelant émet dans la bande inférieure et le modem appelé émet dans la bande supérieure.

7. 2. 3. Avis V23

Le modem défini dans ravis V23 a un large domaine d'emploi comme l'indique le tableau de la figure 7. 1. Ses principales caractéristiques sont :

--  débits

            a) 600 bit/s en mode asynchrone

            b) 1 200 bit/s en mode asynchrone

            c) 600 bit/s en mode synchrone

            d) 1200 bit/s en mode synchrone

--  rapidité de modulation

            a) 600 bauds

            b) 1200 bauds

--  type de transmission : asynchrone (optionnellement synchrone)

--  supports utilisables : réseau commuté ou ligne spécialisée de qualité normale

--  mode d'exploitation : bidirectionnel à ralternat sur ligne 2 fils, bidirectionnel simultané sur ligne 4 fils

--  principe : modulation de fréquence

--  voie de retour : une voie de retour optionnelle peut fonctionner à 75 bauds en simultanéité avec la voie principale.

Ce modem est utilisé systématiquement avec un terminal écran-clavier avec transmission à 75 bit/s pour le clavier et 1200 bit/s pour l'écran :

--  interface logique : conforme aux avis V24 et V28.

Les fréquences caractéristiques du modem sont données dans la figure 7. 3.

Figure 7. 3. : Fréquences utilisées dans l'avis V23.

7. 2. 4. Avis V26

Les principales caractéristiques du modem défini par l'avis V26 sont les suivantes :

--  débit : 2400 bit/s

--  rapidité de modulation : 1200 bauds

--  type de transmission : synchrone

--  supports de tranmnission utilisables : ligne spécialisée 4 fils

--  mode : bidirectionnel sùnultané ou alternat

--  principe : modulation de phase différentielle quadrivalente

--  voie de retour : une voie de retour identique à celle définie dans l'avis V23 peut être optionnellement ajoutée

--  interface logique : conforme aux avis V24 et V28..

La suite des données à transmettre est divisée en paires de bits consécutives (dibits). Chaque dibit est codé sous la forme d'un changement de phase par rapport à la phase de rélément de signal précédent. Deux possibilités de codage sont normalisées. Elles sont données dans la figure 7.4.

Figure 7. 4. : Changement de phase dans l'avis V26.

(Le chiffre de gauche du dibit est celui qui se présente le premier dans le train des données.)

7. 2. 5. Avis V26bis

L'avis V26bis constitue une extension de l'avis V26 pour la transmission sur le réseau cornrnuté. Le principe de modulation de l'avis V26 est conservé, toutefois, seule la solution de codage B est retenue. Le modem fonctionne à l'alternat sur le réseau commuté ou sur une ligne spécialisée deux fils; la voie retour optionnelle fonctionne en simultanéité avec la voie principale. Un débit de repli de 1200 bit/s est prévu au cas où les conditions de transmission seraient incompatibles avec le débit de 2400 bit/s. A 1200 bit/s, l'état binaire 0 correspond à un saut de phase de + 90° et l'état binaire 1 à un saut de phase de + 270°.

7. 2. 6. Avis V27

Le modem défini par l'avis V27 est destiné à la transmission sur ligne spécialisée de qualité supérieure à la rapidité de 4800 bit/s. Ses caractéristiques principales sont :

--  débit : 4800 bit/s

--  rapidité de modulation : 1600 bauds

--  type de transmission : synchrone

--  supports utilisables : ligne spécialisée de qualité supérieure (M102). Le plus souvent le fonctionnement sur ligne de qualité normale est très satisfaisant

--  mode : bidirectionnel simultané ou alternat

--  principe : modulation de phase différentielle octovalente

--  voie de retour : voie de retour optionnelle conforme à l'avis V23

--  interface logique : conforme aux avis V24 et V28.

La suite des données à transmettre est divisée en groupe de trois bits (tribits). Chaque tribit est codé sous la forme d'un changement de phase par rapport à la phase de l'élément de signal précédent comme le montre la figure 7.5.

Figure 7. 5. : Changement de phase dans l'avis V27.

(Le bit de gauche du tribit est celui qui se présente le premier dans le train de données.)

Le modem est muni d'un brouilleur auto-synchronisable. La transmission à 4800 bit/s nécessite une correction précise des distorsions d'amplitude et de temps de propagation de groupe. L'avis V27 prévoit un égaliseur ajustable manuellement au moment de l'installation. Il est possible avec ce type de modem eobtenir des temps de synchronisation très courts (moins de 20 ms), il est donc bien adapté aux réseaux multipoints.

7. 2. 7. Avis V27bis

Le modem V27bis est destiné comme le modem V27, au fonctionnement à 4800 bit/s sur lignes spécialisées et le signal transmis en ligne est le même. La différence essentielle entre ces deux modems réside dans le mode d'égalisation : le modem V27bis est muni d'un égaliseur automatique alors que le modem V27 comporte un égaliseur ajustable manuellement. Le modem V27bis peut être utilisé en point à point ou en multipoint sur circuits spécialisés conformes à la recommandation M102. Dans ces conditions, il se synchronise en 50 ms. Cependant grâce à son égaliseur automatique, il est capable de fonctionner sur des lignes de qualité nettement inférieure au gabarit M102; le temps de synchronisation est alors de l'ordre de 500 ms.

Le modem V27bis est muni d'une vitesse de repli de 2400 bit/s, pour les cas où la ligne de transmission ne permettrait pas un fonctionnement correct à 4800 bit/s. A 2400 bit/s, le signal transmis est le même que celui du modem V26 (alternative A). Une voie de retour conforme à l'avis V23 est prévue en option. Il est également prévu qu'en cas de défaillance de la ligne spécialisée, le modem puisse éventuellement utiliser le réseau commuté en secours. Il se conforme alors aux prescriptions de la recommandation V27ter.

7. 2. 8. Avis V27ter

L'avis V27ter est relatif au fonctionnement à 4800 bits sur le réseau général commuté. Le modem décrit est identique à celui de l'avis V27bis, il comporte toutefois quelques caractéristiques supplémentaires, telles que la protection contre les échos, qui sont de nature à améliorer le fonctionnement sur le réseau commuté. Le modem V27ter fonctionne à l'alternat sur le réseau commuté; au moment de l'établissement de la liaison, la 1re synchronisation dure 500 ms environ; les retournements successifs ultérieurs s'effectuent en 50 ms.

7. 2. 9. Avis V29

L'avis V29 définit un modem destiné à la transmission de 9600 bit/s sur lignes spécialisées. Ses principales caractéristiques sont :

--  débit : 9600 bits/s

--  rapidité de modulation     : 2400 bauds

--  type de transmission : synchrone

--  supports utilisables : ligne spécialisée 4 fils conforme à la reconunandation M102. Le plus souvent, le fonctionnement sur ligne de qualité normale est très satisfaisant

--  mode d'exploitation : bidirectionnel simultané

--  principe : modulation combinée de phase et d'amplitude

--  interface logique : conforme aux avis V24 et V28

--  égalisation automatique : synchronisation en 250 ms.

Le signal transmis est un signal à huit valeurs de phase modulé en amplitude (deux niveaux par phase). Le diagramme de Fresnel du signal est illustré par la figure 7.6. Chaque élément de signal correspond à un groupe de 4 bits consécutifs (16 combinaisons possibles) le diagramme a 16 points.

Figure 7.6. : Diagramme à 16 points de l'avis V29.

Le temps de synchronisation relativement long du modem V29 le destine plutôt aux transmissions point à point, en particulier pour le transport de liaisons multiplexées : l'avis V29 prévoit la décomposition (optionnelle) du débit de 9600 bit/s en une combinaison de sous-débits à 7200, 4800 et 2400 bit/s.

7. 2. 10. Avis V36

Le modem V36 permet la transmission sur un canal de groupe primaire (60-108 kHz), ses caractéristiques principales sont :

--  débit : 48, 56, 64, 72 kbit/s

--  rapidité : 48, 46, 64, 72 kbauds

--  type. de transmission : synchrone

--  supports utilisables : groupe primaire (avis H14)

--  mode : bidirectionnel simultané

--  principe : modulation d'amplitude à bande latérale unique

--  interface logique : conforme aux avis V24, V10 et V11.

Le signal transmis correspond à la modulation à bande latérale unique d'une porteuse de fréquence 100 kHz. Cette porteuse est modulée par un signal en bande de base sans composante continue du type bipolaire.

Le modem V36 est installé dans les locaux PTT et un prolongement vers l'utilisateur doit être mis en place. La solution là plus courante consiste à réaliser une liaison de prolongement en bande de base.

7. 3. INTERFACE ETTD-ETCD

7. 3. 1. L'avis V24

7. 3. 1. 1. Portée

L'avis V24 s'applique aux circuits dits circuits de liaison entre l'ETTD et l'ETCD pour le transfert des signaux de données binaires, de signaux de commande et de signaux de base de temps. L'ensemble des circuits de liaison définis dans l'avis V24 s'applique par exemple :

--  aux transmissions de données synchrones et asynchrones,

--  aux services de transmission de données sur lignes louées à deux ou quatre fils en exploitation point à point ou multipoint

--  aux transmissions de données dans le service sur réseau à commutation à deux ou quatre fils,

--  lorsque les câbles de connexion utilisés entre l'ETTD et l'ETCD sont courts.

7. 3. 1. 2. Définition des circuits de liaison

7. 3. 1. 2. 1. La série 100

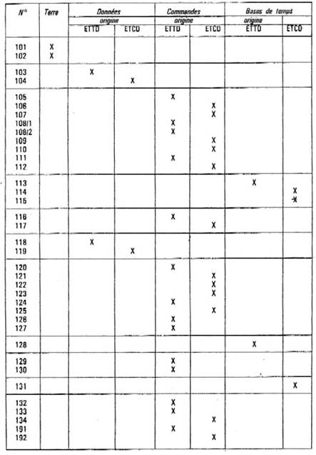
La liste des circuits de la série 100 est présentée dans le tableau 7. 7 avec l'indication de l'équipement origine du circuit.

Circuit 101 : terre de protection

Ce conducteur doit être relié électriquement au bâti de l'appareil, il peut en outre être relié à des prises de terre extérieures.

Circuit 102 : terre de signalisation

Ce conducteur établit le potentiel commun de référence pour tous les circuits de liaison dissymétriques de la série 100.

Circuit 103 : émission des données

Les signaux de données issus de l'ETTD à transmettre à une ou plusieurs stations de données éloignées sont transférés à l'ETCD en passant par ce circuit.

Circuit 104 : réception des données

Les signaux de données en provenance d'une station de données éloignée sont transférés par l'ETCD vers l'ETTD en passant par ce circuit

Circuit 105 : demande pour émettre

Les signaux transmis sur ce circuit commandent l'ETCD et le mettent en état d'émettre sur la voie de données.

L'état FERME oblige l'ETCD à se mettre en position d'émission.

L'état OUVERT l'oblige à se mettre en position de données.

Circuit 106 : prêt à émettre

Les signaux transmis sur ce circuit indiquent si l'ETCD est prêt à émettre sur la voie de données.

L'état FERMÉ indique que l'ETCD est prêt l'état OUVERT qu'il n'est pas prêt.

Circuit 107 : poste de données prêt

Les signaux transmis sur ce circuit indiquent si l'ETCD est prêt à fonctionner.

L'état FERMÉ indique que l'ETCD est prêt à échanger des signaux de commande avec l'ETTD pour provoquer l'échange de données.

L'état OUVERT indique que l'ETCD n'est pas prêt.

Circuit 108/1 . Connectez le poste de données

Les signaux transmis sur ce circuit commandent la commutation du convertisseur de signaux pour le connecter sur la ligne ou le déconnecter.

L'état FERMÉ oblige l'ETCD à connecter à la ligne le convertisseur de signaux.

L'état OUVERT l'oblige à éliminer de la ligne le convertisseur de signaux.

Circuit 108/2 : équivement terminal de données prêt

Les signaux transmis sur ce circuit ont le même rôle que sur le circuit 108/1.

L'état FERMÉ, qui indique que l'ETTD est prêt à fonctionner, prépare l'ETCD à connecter à la ligne le convertisseur de signaux. L'ETTD est autorisé à présenter l'état FERMÉ sur le circuit 108/2 chaque fois qu'il est prêt à émettre ou recevoir des données.

L'état OUVERT a la même signification que précédemment.

Circuit 109 : détection de signal de ligne reçu

Les signaux transmis sur ce circuit indiquent si le signal de ligne reçu par l'ETCD est conforme aux limites appropriées telles qu'elles sont spécifiées dans les recommandations relatives à l'ETCD utilisé.

L'état FERMÉ indique que le signal reçu par l'ETCD est conforme, rétat OUVERT indique qu'il ne l'est pas.

Circuit 110 : détection de la qualité du signal de données

Les signaux transmis sur ce circuit indiquent s'il y a une probabilité raisonnable d'erreur sur les données reçues par l'ETCD (la qualité du signal est conforme aux spécifications des recommandations relatives à l'ETCD utilisé).

L'état FERMÉ indique qu'il n'y a pas de raison de croire qu'une erreur s'est produite.

L'état OUVERT indique une probabilité raisonnable d'erreur.

Circuit 111 : sélection de débit binaire

Les signaux transmis sur ce circuit servent à assurer le choix du débit binaire dans le cas des ETCD à deux débits ou deux gammes de débits.

L'état FERMÉ provoque le choix du débit binaire le plus élevé.  L'état OUVERT celui du débit binaire le moins élevé.

Circuit 112 : sélection du débit binaire

Les signaux transmis sur ce circuit servent à assurer le choix du débit dans l'ETTD en fonction du débit utilisé dans l'ETCD. La signification des états OUVERT et FERMÉ est la même que pour le circuit 111.

Circuit 113 : base de temps pour l'émission

Les signaux transmis sur ce circuit fournissent à l'ETCD la base de temps pour les éléments de signal.

Circuit 114 : base de temps pour l'émission

Les signaux transmis sur ce circuit fournissent à l'ETTD la base de temps pour les éléments de signal.

Circuit 115 : base de temps pour la réception

Les signaux transmis sur ce circuit fournissent à l'ETTD la base de temps pour les éléments de signal.

Circuit 116 : choix d'organes en réserve

Les signaux transmis sur ce circuit servent à choisir entre les possibilités normales et les possibilités en réserve dans l'ETCD.

Circuit 117 : indicateur mode en réserve prêt

Les signaux transmis sur ce circuit indiquent si l'ETCD est conditionné pour fonctionner selon son mode en réserve.

Circuit 118 : émission de données sur la voie de retour

Ce circuit est équivalent au circuit 103 mais il concerne les données émises sur la voie de retour.

Circuit 119 : réception de données sur la voie de retour (équivalent au circuit 104).

Circuit 120 : demande pour émettre sur la voie de retour (équivalent au circuit 105).

Circuit 121 : voie de retour prête (équivalent au circuit 106).

Circuit 122 : détection de signal reçu sur la voie de retour (équivalent au circuit 109).

Circuit 123: détection de qualité du signal reçu sur la voie de retour (équivalent au circuit 110).

Circuit 124 : choix des groupes de fréquences

Les signaux transmis sur ce circuit servent à choisir les groupes de fréquences désirés (tous : état FERMÉ, un nombre restreint : état OUVERT) disponibles dans l'ETCD.

Circuit 125 : indicateur d'appel

Les signaux transmis sur ce circuit indiquent si un signal d'appel a été reçu par l'ETCD. L'état FERMÉ indique qu'un appel est reçu.

Circuit 126 : choix de la fréquence d'émission

Les signaux transmis sur ce circuit servent à choisir la fréquence démission requise pour l'ETCD. L'état FERMÉ provoque le choix de la fréquence d'émission la plus élevée, l'état OUVERT celui de la fréquence démission la moins élevée.

Circuit 127 : choix de la fréquence de réception

Ce circuit est équivalent au précédent pour la fréquence de réception

Circuit 128 : base de tempspour la réception

Les signaux transmis sur ce circuit fournissent à l'ETCD la base de temps pour les éléments de signal.

Circuit 129 : demande pour recevoir

Les signaux transmis sur ce circuit commandent l'ETCD et le mettent en état de recevoir à partir de la voie de données. L'état FERMÉ l'oblige à se mettre en position de réception, l'état OUVERT en position de non-réception.

Circuit 130 : transmettez la tonalité sur la voie retour

Les signaux transmis sur ce circuit commandent la transmission d'une tonalité sur la voie de retour.

Circuit 131 : base de temps pour les caractères reçus.

Les signaux transmis sur ce circuit fournissent à l'ETTD l'information de base de temps pour les caractères.

Circuit 132 : retour au mode « pas pour données »

Les signaux transmis sur ce circuit servent à rétablir le mode « pas pour données » prévu dans l'ETCD sans interrompre la connexion avec la station éloignée.

Circuit 133 : prêt à recevoir

Les signaux transmis sur ce circuit commandent le transfert des données sur le circuit 104 en indiquant si l'ETTD peut accepter une certaine quantité de données (par exemple un bloc).

Circuit 134 : données reçues

Les signaux transmis sur ce circuit servent à distinguer le message d'informations du message de surveillance transféré sur le circuit 104.

Circuit 140 : bouclage

Les signaux transmis sur ce circuit servent à déclencher (état FERMÉ) et à supprimer (état OUVERT) le bouclage (type 1) dans l'ETCD.

Circuit 141 : bouclage local

Les signaux transmis sur ce circuit servent à déclencher (état FERMÉ) et à supprimer (état OU'VERT) le bouclage (type 3) dans l'ETCD.

Circuit 142 : indicateur d'essai

Les signaux transmis sur ce circuit servent à l'ETCD à indiquer à l'ETTD la présence (état FERMÉ) ou l'absence (état OUVERT) d'un état de maintenance.

Circuit 191 : émission de la réponse à la voix

Les signaux formés dans l'ETTD par l'appareil pour réponse à la voix sont transférés à l'ETCD sur ce circuit.

Circuit 192 : réception de la réponse à la voix

Les signaux vocaux reçus fournis dans l'ETTD éloigné par l'appareil pour réponse à la voix sont transférés à l'ETTD sur ce circuit.

Figure 7. 7. : Circuits de la série 100 par catégorie.

7. 3. 1. 2. 2. La série 200

Les circuits de la série 200 sont réservés à l'appel automatique. Ils sont regroupés dans le tableau 7.8. avec l'indication de leur origine (ETTD ou ETCD).

Circuit 201 : terre de signalisation

Ce conducteur établit le potentiel commun de référence pour tous les circuits de liaison de la série 200 (sauf la terre de protection 212).

Circuit 202 : demande d'appel

Les signaux transmis sur ce circuit ont pour effet de préparer l'équipement d'appel automatique à faire un appel.

Circuit 203 : ligne pour données occupée

Les signaux transmis sur ce circuit indiquent si la voie de communication est utilisée (pour la transmission de données, la téléphonie ou pour des essais par exemple).

Circuit 204 : poste éloigné connecté

Les signaux transmis sur ce circuit indiquent si une connexion a été établie avec un poste de données éloigné.

Circuit 205 : abandon d'appel

Les signaux transmis sur ce circuit indiquent si une temporisation (préréglée) s'est écoulée entre des opérations successives de la procédure d'appel.

Circuits 206 à 209 : signaux numériques

Les signaux transmis sur ces circuits correspondent à la numérotation :

Le caractère de commande EON (fin de numérotation) oblige l'ETCD à se mettre en attente d'une réponse du poste de données éloigné.

Le caractère de commande SEP (séparateur) indique qu'il faut prévoir une interruption entre des chiffres successifs et oblige l'équipement d'appel automatique à insérer l'intervalle de temps approprié.

Circuit 210 : présentez le chiffre suivant

Les signaux transmis sur ce circuit indiquent si l'équipement d'appel automatique est prêt à accepter la combinaison de code suivante.

Circuit 211 : chiffre présent

Les signaux transmis sur ce circuit commandent la lecture de la combinaison de code présentée sur les circuits de signaux numériques.

Circuit 212 : terre de protection

Ce conducteur doit être relié électriquement au bâti de l'appareil. Il peut être relié en outre aux prises de terre extérieures.

Circuit 213 : indication d'alimentation

Les signaux transmis sur ce circuit servent à indiquer si réquipement d'appel automatique est alimenté en énergie.

Figure 7. 8. : Circuits de la série 200.

7. 3. 1. 3. Exploitation

7. 3. 1. 3. 1. Signaux utilisés pour la phase transmimion

Le circuit 103 est le fil par lequel le coupleur fournit au modem les signaux de données à transmettre, le circuit 104 est le fil par lequel le modem délivre au coupleur les signaux de données reçues. En transmission synchrone la base de temps pour l'émission est transmise sur le circuit 113 lorsque l'horloge est pilotée par le coupleur ou sur le circuit 114 lorsque l'horloge est engendrée par le modem. Dans les deux cas la transition négative de l'horloge correspond au milieu du bit transmis sur le circuit 103. Le circuit 115 véhicule en transmission synchrone la base de temps pour la réception : il permet au modem de délivrer au coupleur le rythme d'horloge pour les données reçues. Le circuit 109 ne joue pas un rôle actif au cours de la transmission, il donne une alarme lorsque le niveau du signal reçu par le modem est inférieur à un seuil déterminé.

7. 3. 1. 3. 2. Signaux utiles pour la phase d'initialisation

Le circuit 105 est utilisé par le coupleur en fermant ce circuit, il oblige le modem à se mettre en position émission et à transmettre en ligne le signal porteur et éventuellement la séquence nécessaire à l'égalisation et la synchronisation du modem distant. Le modem signale au coupleur qu'il est prêt en fermant le circuit 106. Le délai entre la fermeture des circuits 105 et 106 est appelé temps de retournement du modem, il doit être suffisant pour permettre au modem distant de détecter la présence d'un signal en ligne et de se synchroniser (transmission synchrone).

7. 3. 1. 3. 3. Signaux utffisés au cours de la phase d'établissement du circuit

Ces circuits ne seront utilisés que lorsque le support physique n'est pas affecté en permanence à la transmission de données (ligne du réseau commuté, ligne louée exploitée tantôt pour le téléphone, tantôt pour les données). Le circuit 107 fermé indique au coupleur que le modem est relié à la ligne de transmission, ouvert il indique que la ligne est branchée sur le téléphone. Le circuit 125 (indicateur d'appel) intervient dans les procédures de réponse automatique qui permettent à une installation terminale de se brancher sur la ligne sans intervention manuelle dès la réception d'un appel téléphonique. Le circuit 108 a deux modes d'exploitation différents : 108/1 et 108/2. La fermeture du 108/1 (connectez le modem à la ligne) oblige le modem à se déconnecter de la ligne dès qu'il a fini de transmettre toutes les données reçues des circuits 103 ou 118. L'ouverture du 108/1 oblige le modem à se connecter à la ligne. En mode d'exploitation 108/2 (équipement terminal de données prêt), la fermeture du circuit a le même effet mais son ouverture indique que le terminal est en état de fonctionner et autorise le modem à se connecter sur la ligne dès la réception d'un appel téléphonique.

7. 3. 1. 3. 4. Circuits relatifs à la voie de retour

Les circuits 118, 119, 120, 121 et 122 jouent un rôle équivalent aux circuits 103, 104, 105, 106 et 109 relatifs à la voie de données.

7. 3. 1. 3. 5. Procédure d'établissement du circuit de transmission

a) Procédure manuelle

C'est le cas le plus simple : il suppose un opérateur à chaque extrémité du circuit qui chacun de son côté commande la connexion du modem en agissant sur un commutateur. Celui-ci agit sur le fil 108 en exploitation 108/1.

b) Procédure de réponse automatique selon le mode 108/1

Dans cette procédure, l'une des deux extrémités n'est pas sur-veillée et l'initiative est à la station surveillée : l'opérateur appelle (par le réseau téléphonique) la station non surveillée, l'appel est détecté gràce au circuit 125 et transmis au terminal de la station appelée; le coupleur commande alors au modem de se connecter sur la ligne (fermeture du circuit 108) et le modem répond qu'il est prêt par la fermeture du circuit 107. Le terminal ferme ensuite le circuit 105 ce qui provoque l'émission de la porteuse que l'opérateur reconnaît comme une tonalité.  Il n'a plus qu'à commander la connexion de son modem sur la ligne (fermeture du circuit 108) et le modem ferme le circuit 107. La figure 7. 9. illustre cette procédure ainsi que la suite d'échange des signaux pour une émission

c) Procédure de réponse automatique selon le mode 108/2

Cette fois-ci l'initiative des opérations dans la station non surveillée est au modem et non plus au terminal : après avoir détecté l'appel le modem se connecte (fermeture du circuit 107) si le circuit 108 est déjà fermé. La fermeture du circuit 108 dans cette procédure peut être permanente, elle autorise la connexion mais ne la provoque pas.

7. 3. 1. 3. 6. Procédure d'initialisation

a) Liaison point à point

Dans une transmission bidirectionnelle simultanée, l'initialisation n'a lieu qu'une seule fois, au début de la communication. Dans une transmission bidirectionnelle à l'alternat l'initialisation est refaite à chaque retournement c'est-à-dire à chaque changement du sens de la transmission.

b) Liaison multipoint

Considérons une station A gérant plusieurs stations B, C, ..., N reliées à A par une ligne spécialisée multipoint quatre fils. Dans le sens A vers les stations périphériques la transmission est permanente il n'y a donc pas d'initialisation (en exploitation normale). Dans le sens stations B, C, .... N vers station centrale, le modem situé en A doit être ré-initialisé chaque fois qu'une nouvelle station périphérique prend la parole. Une procédure dite « nouvelle synchronisation » permet d'accélérer le processus mais nécessite un circuit d'interface supplémentaire dans la station A.

Figure 7. 9. : Etablissement du circuit en mode 108/1.

7. 3. 1. 3. 7. Problèmes de maintenance

a) Cas d'une liaison quatre fils

Lorsque le support de transmission est une ligne quatre fils on peut transmettre simultanément dans les deux sens, il est alors possible de localiser l'élément défectueux en procédant par bouclage. La figure 7. 10. illustre les divers bouclages possibles. Notons que pour la localisation de l'élément défectueux il faut supposer que le terminal est capable d'émettre une suite de messages de test et de contrôler les messages de test reçus.

Bouclage 1 : les données entrées sur le circuit 103 ressortent directement sur le circuit 104. Ce bouclage permet de vérifier le bon fonctionnement du terminal en absence de transmission.

Bouclage 3 : le signal émis en ligne par le modem est appliqué directement sur la réception du modem. On, peut ainsi contrôler l'ensemble de l'installation locale terminal-modem sans faire intervenir le support de transmission.

Bouclage 2 : il est fait au niveau du modem : les données reçues transmises sur le circuit 104 sont directement ré-injectées sur le circuit, 103. Le test est fait depuis l'extrémité non bouclée, permettant de contrôler le fonctionnement de l'ensemble terminal, modem support de transmission et modem distant.

Figure 7. 10. : Bouclages d'une liaison.

b) Cas d'une ligne deux fils

Pour les modems bidirectionnels simultanés 200 ou 300 bits/s du type V21 les deux bouclages 1 et 2 sont possibles. Le bouclage 3 est en principe impossible puisque les signaux émis et reçus en ligne utilisent des bandes de fréquence différentes. Pour les modems fonctionnant à l'alternat on peut souvent simuler un fonctionnement bidirectionnel et exploiter les bouclages 1 et 3 pour des essais locaux. Certains modems comportent des dispositifs de télédiagnostic permettant d'inclure la ligne de transmission dans les essais.

7. 3. 1. 4. Remarques générales

Il est évident que la transmission correcte des données peut être perturbée si l'état dans lequel doivent être les circuits de liaison n'est pas conforme : l'ETTD ne doit pas transférer de données sur le circuit 103 si les quatre circuits 105, 106, 107, 108 ne sont pas tout à l'état FERMÉ; (de même pour l'émission sur la voie de retour (118) si les quatre circuits 120, 121, 107, 108 ne sont pas tous à l'état FERMÉ). Notons que si l'ETCD Démission ferme le circuit 106, l'ETTD est autorisé à transmettre des données sur le circuit 103 : l'ETCD garantit que toutes les données transférées sur le circuit 103, avant que l'un quelconque des 4 circuits 105, 106, 107, 108 soit à nouveau ouvem seront émises sur la ligne de transmission. Cependant l'ETCD ne peut garantir que le modem distant est dans le mode réception. On peut compter un retard pouvant aller jusqu'à plusieurs secondes entre l'instant où un bit est transféré sur le circuit de jonction et celui où il est réellement émis sur la ligne de transmission.

7. 3. 2. Caractéristiques électriques des circuits de liaison

7. 3. 2. 1. Avis V28

L'avis V28 spécifie les caractéristiques électriques des circuits de liaison pour des débits binaires allant jusqifà 19,2 kbits/s. La figure 7. 11 représente le circuit de liaison équivalent avec ses caractéristiques électriques. Ce circuit est indépendant du générateur installé dans l'ETCD et de la charge dans l'ETTD ou vice-versa.

--  L'indépendance du côté charge doit avoir une résistance RL telle que 3000 W £ RL £ 7000 W. Avec une tension Em appliquée de 3 à 15 V le courant I mesuré est compris entre

La tension de charge EL en circuit ouvert ne doit pas dépasser 2 V. La capacité CL ne doit pas dépasser 2500 pF.

Figure 7. 11. : Circuit équivalent.

V0,       tension du générateur (circuit ouvert).

R0,       résistance effective totale associée au générateur.

C0,       capacité effective totale associée au générateur.

V1,       tension au point de jonction par rapport à la terre de signalisation (102).

CL,       capacité effective totale associée à la charge.

RL        résistance effective totale associée à la charge.

EL,       tension de la charge (circuit ouvert).

--  La tension du générateur en circuit ouvert V0, ne doit pas dépasser 25 V. L'impédance (R0, C0) côté générateur n'est pas spécifiée. Toutefois elle sera choisie de telle sorte qu'un court-circuit quelconque ne puisse pas provoquer l'apparition d'un courant d'intensité supérieure à 0,5 A.

--  Pour les circuits de liaison, l'état OUVERT correspond à une tension V1 inférieure à - 3 V et l'état FERMÉ à une tension supérieure à + 3 V. Pour les circuits de commande, le temps nécessaire au changement d'état (transition de - 3 V à + 3 V ou l'inverse) doit être inférieur à une milliseconde. Pour les circuits de données et de base de temps, ce temps doit être à la fois inférieur à une milliseconde et inférieur à 3 % de la durée nominale d'un élément de signal.

7. 3. 2. 2. Avis V35

L'avis V35 spécifie les caractéristiques électriques des circuits de liaison pour des transmissions par double courant symétriques.

--  Le câble de jonction doit être un câble multipaire symétrique torsadé d'impédance caractéristique comprise entre 80 et 120 W à la fréquence du signal de base de temps.

--  Le générateur a une impédance de source comprise entre 50 et 150 W, une résistance entre extrémités (en court-circuit 102) de 150 ± 15 W, pour une charge résistive de 100 W la tension doit être de 0,55 V (± 20 %); le temps d'établissement de l'état doit être à la fois inférieur à 40 ns et inférieur à 1 % de la durée nominale d'un élément de signal.

--  La charge doit avoir une impédance d'entrée de 100 ± 10 W et une résistance par rapport au circuit 102 de 150 ± 15 W.

--  La qualité du service est garantie même en présence de bruit tant que:

1.      on observe un bruit longitudinal de ± 2 V ajouté aux bornes d'entrée de la charge par rapport au retour commun 102,

2.      ou bien on observe un décalage du circuit 102 de ± 4 V.

7. 3. 3. L'avis X21

7. 3. 3. 1. Introduction

Les nouveaux réseaux publics pour données avec interface X21 offrent plusieurs avantages par rapport aux réseaux téléphoniques avec interface V24/V28 (RS 232C) : une interface commune pour la plupart des débits binaires, des temps de connexion plus rapides (200 à 500 ms contre 3 à 15 s), un fonctionnement duplex intégral, une fiabilité plus importante, de nouvelles fonctions pour l'usager aussi bien sur les liaisons spécialisées que sur les liaisons commutées. Deux réseaux (au Japon et en Europe du Nord, Danemark, Finlande, Norvège, Suède) utilisant X21 sont opérationnels depuis 1981. Plus de huit autres sont en cours ou en projet. Ces réseaux exigent des adaptateurs de communication X21 qui sont assez différents des vieux interfaces EIA RS-232-C/RS-366. IBM en construisant plusieurs produits pour le réseau du Japon a permis de définir les critères de conception d'un adaptateur de communication X21. La recommandation du CCITT X21 définit l'interface entre ETTD (qui peut aller du simple terminal au gros ordinateur) et l'ETCD qui permet d'accéder au réseau comme l'illustre la figure 7. 12.

Figure 7. 12. : Place de l'interface X21.

X21 décrit les procédures de contrôle d'appel et les fonctions pour l'usager (avec X2) pour les deux services commutation de circuits et liaisons spécialisées. Le service sur liaison spécialisée ne nécessite aucun changement logiciel pour l'usager. Par contre, le service sur liaison commutée fournissant des diagnostics et autres caractéristiques nécessite de nouveaux logiciels.

7. 3. 3. 2. Définition des états de l'interface

Comme le montre la figure 7. 13, l'interface contient 4 principaux circuits : T (transmission) et C (contrôle) qui sont commandés par l'ETTD et R (réception) et I (indication) qui sont contrôlés par l'ETCD. Il y a en plus un signal d'horloge bit (H) - et en option un signal d'horloge octet (B) - et deux fils de masse. Les circuits C et I ont deux états OUVERT et FERMÉ. Les circuits T et R acherninent en série des caractères de contrôle de données ou des séquences spécifiques de « 0 » et de « 1 ».

Le circuit d'horloge H génère des impulsions-bit qui permettent la transmission et la réception sur les circuits T et R. Les combinaisons de signaux sur les quatre circuits T, C, R, I déterminent l'état de l'interface ETTD-ETCD. X21 définit 28 états pour cette interface, ceux-ci peuvent être regroupés en trois phases : la phase de repos, la phase de contrôle de l'appel (établissement et libération) et la phase de transfert d'information.

Figure 7. 13. : Circuits de l'interface X21.

La phase de repos est constituée par les 6 états suivants :

n°        1          Prêt

            14        ETTD non prêt commandé, ETCD prêt

            18        ETTD prêt ETCD non prêt

            22        ETTD non prêt automatique, ETCD non prêt

            23        ETTD non prêt commandé, ETCD non prêt

            24        ETTD non prêt automatique, ETCD prêt.

La phase de contrôle d'appel est constituée de 14 états correspondant à l'établissement de la communication et 5 états correspondant à la libération.

La phase de transfert de données contient 3 états selon que l'échange est bidirectionnel simultané ou à l'alternat :

13       transfert de données

13 S    données émises

13 R    données reçues

L'ETTD et l'ETCD peuvent l'un comme l'autre provoquer un changement d'état de l'interface en modifiant les signaux sur les circuits qu'ils commandent. L'interface ETTD-ETCD est transparent en phase de transfert de données, il n'y a aucune restriction sur la séquence de bits émise vers le réseau. Les séquences autorisées de transition d'un état dans l'autre sont définies par un diagramme d'états qui fait partie de l'avis X21. L'ETTD et l'ETCD doivent être prêts à maintenir les états binaires 0 et 1 sur les circuits T et R ainsi que les états associés sur les circuits C et I pendant au moins 24 intervalles de temps-bit. La détection de l'état binaire 0 ou 1 sur le circuit R pendant une période de 16 intervalles de temps-bit consécutifs et de rétat binaire associé sur le circuit I peut être interprétée par l'ETTD comme un état permanent. Dans le cas d'une libération, l'état permanent doit être détecté pendant une période de 16 intervalles de temps-bit consécutifs mais non inférieure à 10 ms pour être considérée comme valide (à 48 kbit/s cela fait des centaines de zéros ... ).

7. 3. 3. 2. 1. La phase de repos

L'ETCD non prêt indique qu'aucun service n'est disponible (dérangement du réseau ou commande des bouclages de tests par exemple). L'ETTD non prêt automatique indique qu'il n'est pas en mesure de passer aux phases opérationnelles (conditions de fonctionnement anormales). L'ETTD non prêt commandé indique qu'il est opérationnel mais momentanément pas en mesure d'accepter des appels entrants (pour les services commutés seulement). Le diagramme des états de repos est donné dans la figure 7. 14. Les circuits C et I sont toujours OUVERTS. L'état de l'ETTD non prêt commandé est signalé sur le circuit T par une alternance de bits 010101...

Figure 7.14. : Diagramme des états de repos X21.

7. 3. 3. 2. 2. La phase de contrôle de l'appel

a) Etablissement de la communication

Figure 7. 15. : Etablissement d'appel qui aboutit.

A partir de l'état Prêt (1) l'ETTD initialise un appel en signalant à l'ETCD à l'aide du circuit T = 000..., l'interface entre dans l'état 2.

L'ETCD accepte l'appel en envoyant une invitation à numéroter sur le circuit R = + + + --- (suite de caractères + de l'alphabet international n°5 précédés de deux caractères SYN pour la synchronisation).

L'interface est alors dans l'état 3. L'ETTD envoie ensuite le numéro de son correspondant sur le circuit T (caractères de l'alphabet international n°5 précédés de 2 caractères SYN) - état 4 - puis passe en attente - état 5. L'état 4 n'existe pas pour les liaisons spécialisées.

A l'ETTD distant, si l'interface (X21) est dans l'état Prêt (1), l'ETCD signale un appel reçu à l'aide du circuit R = BEL, BEL... (précédé de 2 SYN) état 8.

L'ETTD signale qu'il peut prendre cet appel en fermant le circuit C - état 9.

Les deux ETCD (appelant et appelé) passent alors par une succession d'états facultatifs (attente - 6 A, 6 B, information fournie par l'ETCD - 7, 10, 10bis - connexion en cours - 11 -) puis enfin dans l'état 12, prêt pour les données.

Pendant l'établissement d'appel, si le réseau détermine qu'il ne peut acheminer l'appel (momentanément ou définitivement) il le signale par des informations particulières - état 7. Si la connexion doit être retardée, l'interface reste dans l'état atteinte - 6 A. Si la connexion ne peut pas aboutir, l'ETCD envoie une libération - état 19 - et l'appel est annulé.

La figure 7.15 illustre le diagramme des états de l'interface pour l'établissement d'un appel qui aboutit, On notera qu'il existe dans ce diagramme de nombreux temporisateurs (200 ms, 500 ms, 2 s, 3 s, 6 s, 20 s, 36 s) et que leur expiration provoque soit un retour à l'état prêt (1) soit une libération de rappel (16 ou 19).

Figure 7.16. : Libération.


b) Libération

La libération peut intervenir à partir de n'importe quel état (sauf l'état Prêt) à l'initiative de l'ETTD ou de l'ETCD. La figure 7.16 donne le diagramme des états de libération. Il y a quatre temporisateurs (100 ms et 2 s) dans ce diagramme, dont l'expiration amène dans les états 18 ou 24 de la phase de repos.

7. 3. 3. 2. 3.  Phase de transfert de données

L'interface est prêt à transférer des données lorsque les deux circuits C et I sont fermés et que T et R sont dans l'état 1. L'échange de données peut être bidirectionnel simultané. La figure 7.17 illustre l'évolution dans le temps des signaux de l'interface pour un ETTD appelant et libérant une communication.

Figure 7.17. : Exemple de séquence d'événements appels fructueux et libération dans le service à commutation de circuits (ETTD appelant et demandant la libération).

7. 3. 3. 3. Remarques générales

Pour l'interface X21, il n'y a que deux circuits (C et I) dont il faut contrôler l'état OUVERT ou FERMÉ (il y en a bien plus avec V24…). Sur les circuits R et T il faut soit transmettre des séquences spécifiques de 0 et de 1 ou de caractères de l'alphabet international n°5. Ces deux circuits doivent donc être analysés en permanence pour s'assurer que l'établissement progresse selon les transitions valides et les limites de temps fixées par X21. Les données reçues sur le circuit R pendant la phase de contrôle d'appel sont stockées pour être analysées (format contenu). L'E'ITD doit être conçu pour analyser ces données et prendre certaines décisions en fonction de leur contenu telles que demander ou non une libération, tenter un nouvel appel... Le degré d'intelligence demandé à l'ETTD dépend de l'application. L'implémentation matérielle peut être préférée si certaines opérations doivent être réalisées dans des limites de temps très étroites : par exemple la confirmation de l'ETTD à une libération par l'ETCD doit intervenir en moins de 100 ms. X21 définit les séquences autorisées de transitions d'états mais ne donne pas les actions à prendre en cas d'état invalide ou inconnu. Toutefois l'état résultant d'un dépassement des limites de temps est toujours défini L'ETTD doit pouvoir décider ce qui est considéré comme erroné et quelles sont les procédures de reprise appropriées. Sont considérés comme des erreurs les événements suivants :

--  lors de la transition de 2 vers 3, le circuit R ne contient pas de +, ou par exemple lors de la transition de 1 vers 8, fi ne contient pas de BEL,

--  le circuit I se ferme par exemple au milieu de la numérotation,

--  le format des informations fournies par l'ETCD dans les états 10 ou 10bis est invalide,

--  l'ETCD ne maintient pas assez longtemps l'état 21,

--  ….

Lorsque de tels événements sont détectés, l'ETTD a plusieurs solutions :

--  ignorer les erreurs et attendre que les limites de temps soient dépassées,

--  initialiser une libération et tenter un nouvel appel,

--  initialiser une libération, dérouler un programme (gestion de l'interface) qui déterminera quand la condition d'erreur sera annulée et autorisera un nouvel appel.

7. 3. 3. 4. L'avis X21bis

Dans l'avis X21bis, le CCITT spécifie l'utilisation des ETTD gérant une interface avec des ETCD synchrones de la série V sur les réseaux publics pour données.

7. 3. 3. 4. 1. Utilisation d'ETTD de la série V pour le service d'appel direct ou avec numérotation

Les caractéristiques électriques peuvent être conformes à l'avis V28 avec utilisation d'un connecteur 25 broches ISO 2110 ou à l'avis X26 avec un connecteur 37 broches ISO 4902. Pour un débit de 48 kbit/s, ces caractéristiques seront conformes à l'avis V35 avec utilisation dun connecteur 34 broches ISO 2593.

a) Etablissement de la communication

L'ETTD indique une demande d'appel en fermant le circuit 108/1. Lorsqu'il reçoit un appel entrant l'ETTD ferme le circuit 108 dans un délai maximum de 500 ms pour indiquer qu'il accepte l'appel.

b) Libération

L'indication de libération par l'ETCD est donnée en ouvrant le circuit 107, la confirmation de libération est donnée par l'ETTD en ouvrant le circuit 108 dans un délai maximum de 100 ms.

c) Progression d'appel

Les ETTD conformes aux avis de la série V ne peuvent pas acheminer les signaux d'identification de la ligne du demandeur, de la ligne du demandé, ni les signaux de progression d'appel. Toutefois lorsqu'il est possible d'utiliser la numérotation automatique, la réception de signaux de progression d'appel négatifs peut être signalée à l'ETTD sur le circuit 205.

d) Phase de transfert de données

Les circuits suivants seront utilisés : 102 (terre de signalisation) 103 (émission) 104 (réception) 105 (demande pour émettre) 106 (prêt à émettre) 109 (détection de signal en ligne reçu) 114 (base de temps pour l'émission) 115 (base de temps pour la réception).

Toutes les fonctions de ces circuits sont conformes à V24.

En mode semi-duplex le temps de retournement du modem doit être compris entre 30 et 50 ms pour un débit de 600 bit/s et entre 10 et 20 ms pour les débits plus élevés.

Les signaux de base de temps 114 et 115 sont fournis par l'ETCD en permanence lorsqu'il est en mesure de les produire. La numérotation automatique et la déconnexion automatique par l'ETCD, si elles existent doivent utiliser les circuits de liaison de la série 200 et l'avis V25. Les caractères de format spécial (+ / . -) seront codés comme l'indique le tableau 7.18.

Figure 7.18. : Caractères de commande correspondant de l'avis X21.

7. 3. 3. 4. 2. Détection et localisation des dérangements

Si l'ETTD ou l'ETCD est incapable de déterminer l'état d'un circuit (103, 104,105, 107,108) il doit le considérer à l'état OUVERT ou 1 binaire. Les bouclages d'essai à utiliser dans les réseaux publics pour données sont définis dans l'avis X150. Le bouclage 1 peut être utilisé comme essai de base pour vérifier le fonctionnement de l'ETTD. Pendant ce bouclage, le circuit 125 continue d'être surveillé afin que tout appel en provenance du réseau soit traité en priorité. Le bouclage 3 (essai local) nécessite la libération de toute communication avec un poste éloigné. Il peut être commandé manuellement ou de façon automatique (circuit 141). Pour la maintenance du réseau on utilise le bouclage 2 dans les ETCD. Ce bouclage peut être commandé manuellement sur l'ETCD ou automatiquement par le réseau. Ce bouclage ne doit pas être mis en place quand l'ETTD est occupé par une communication.

7. 3. 3. 4. 3. Interfonctionnement entre ETTD conformes à l'avis X21 et ETTD conformes à l'avis X21bis

Cet interfonctionnement entre ETTD de la série V conforme à X21bis et ETTD conformes à X21 sur un réseau public doit toujours être possible pour des ETTD ne nécessitant pas l'exploitation semi-duplex. La figure 7. 19 montre comment on peut mettre en oeuvre un tel interfonctionnement selon le mode semi-duplex.

Figure 7.19. : X21 - X21 bis.

Chapitre précedentIndex des CoursChapitre suivant

Révisé le :23-Sep-2007| ©2007 www.technologuepro.com