Transmission de données

Objectifs :

2.1 Transmission sérielle et transmission parallèle

En transmission de données, l'information peut être acheminée en série ou en parallèle. La transmission parallèle est utilisée pour tout échange rapide entre l'unité centrale d'un ordinateur et tous ses circuits internes et certains périphériques se trouvant à proximité de la machine. Par contre, la transmission série est largement utilisée pour la communication entre les équipements se trouvant éloignés les uns des autres. La figure 2.1 illustre les deux modes de transmission. Dans le cas d'une transmission parallèle, tous les bits sont acheminés en même temps sur un support de communication composé d'autant de fils que de bits transmis. Par contre, en transmission sérielle, les bits d'un caractère sont acheminés les uns après les autres sur un seul fil. Malgré la rapidité du mode de transmission parallèle par rapport à la transmission sérielle, cette dernière est de loin moins encombrante et plus économique. Elle permet également d'acheminer les données sur tous les supports de communication existants.

Transmission en parallèle d'un mot de 8 bits
Figure 2.1.a : Transmission en parallèle d'un mot de 8 bits.

Transmission en série d'un mot de 8 bits
Figure 2.1.b : Transmission en série d'un mot de 8 bits.

2.2 Modes de transmission sérielle

2.2.1 Transmission sérielle asynchrone

La figure 2.2 illustre le principe de la transmission sérielle en mode asynchrone. Chaque caractère transmis est précédé par un bit de départ (Start) dont l'état logique est toujours 0 et terminé par un ou deux bits d'arrêt (Stop) dont l'état logique est 1. En l'absence de transmission la ligne se trouve à l'état logique 1. En transmission asynchrone, le temps qui sépare deux caractères est indéfini puisque le récepteur doit attendre l'arrivée du bit de départ pour réagir à l'arrivée d'un nouveau caractère. Ainsi, une erreur de transmission détruit un seul caractère et non pas un message complet comme c'est le cas en transmission synchrone.

Figure 2.2 : Transmission sérielle en mode asynchrone.

2.2.2 Transmission sérielle synchrone

La figure 2.3 illustre le principe de la transmission sérielle synchrone. Dans ce mode, tout message ou bloc de message est transmis sans aucune séparation entre les caractères successifs. Aucun bit de départ ou d'arrêt n'est requis. Par contre, au moins deux caractères de synchronisation sont requis au début de chaque bloc de message pour établir la synchronisation entre l'émetteur et le récepteur. Bien que la transmission synchrone nécessite un circuit de réception très complexe permettant de synchroniser l'horloge de réception avec les bits reçus, elle est de loin plus rapide et plus efficace que la transmission asynchrone qui nécessite des bits additionnels pour chaque caractère.

Transmission sérielle synchrone
Figure 2.3 : Transmission sérielle synchrone

2.3 Circuit d'émission en mode asynchrone

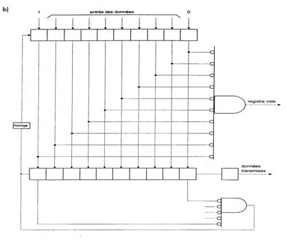
La figure 2.4.a montre un circuit simple de transmission en mode asynchrone. Le registre à décalage prend les 7 ou 8 bits de données venant de l'ordinateur. Il ajoute les bits de départ et d'arrêt, et éventuellement le bit de parité, avant la transmission en série sur une seule ligne de sortie. Lorsque le registre devient vide (tous les bits sont transmis), un indicateur d'état signale à l'ordinateur que le registre est prêt à recevoir un nouveau caractère. Afin d'améliorer le circuit et de diminuer le risque de débordement, un deuxième registre peut être ajouté. Un tel circuit est montré à la figure 2.4.b. Le premier registre prend alors les 7 ou 8 bits de l'ordinateur et les transfère directement au deuxième registre après avoir ajouté les bits de départ et d'arrêt et, éventuellement, le bit de parité. La transmission est alors effectuée à partir du deuxième registre; l'ordinateur disposera ainsi d'un temps égal au temps de transmission d'un caractère pour envoyer un nouveau caractère au premier registre.

Circuit d'émission en mode asynchrone
Figure 2.4.a : Circuit d'émission en mode asynchrone.

Circuit de réception en mode asynchrone
Figure 2.4.b : Circuit de réception en mode asynchrone.

2.4 Circuit de réception en mode asynchrone

Un circuit de réception en mode asynchrone doit assumer les fonctions suivantes :

1.           Détecter rapidement le bit de départ;

2.           Échantillonner les bits de données au milieu de Tb et les assembler dans un registre.

3.           Lorsque le registre est plein, l'ordinateur est avisé et peut à son tour recevoir le caractère en parallèle.

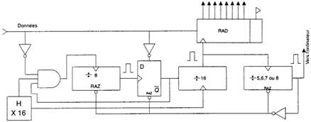
La figure 2.5 montre un circuit de réception en mode asynchrone.

Circuit de réception en mode asynchrone
Figure 2.5 : Circuit de réception en mode asynchrone

Le circuit est composé de trois parties principales:

1. Détecteur du bit de départ

Une transition descendante sur la ligne de réception débloque la porte ET qui laisse passer le signal d'horloge.  La fréquence d'horloge est habituellement 16 fois plus élevée que le taux binaire pour permettre une détection rapide du bit de départ. Le signal d'horloge à la sortie de la porte ET commande un compteur diviseur par huit.  Le rôle de ce dernier est de s'assurer que la tension basse sur la ligne est maintenue pendant la moitié du temps alloué à un bit avant de débloquer le deuxième compteur diviseur par 16. Cette précaution est nécessaire pour éviter que le circuit réagisse aux transitions aléatoires qui peuvent se produire sur la ligne de réception.

2. Échantillonneur

Après huit impulsions d'horloge, la sortie de la bascule D débloque le compteur diviseur par 16. La sortie de ce compteur fournit le signal d'échantillonnage au registre à décalage au milieu de la durée d'un bit, permettant à ce dernier d'assembler le caractère bit par bit.

3. Transfert d'un caractère et remise à zéro

Les impulsions d'échantillonnage sont comptées par un compteur programmable en fonction du nombre de bits par caractère. Lorsque tous les bits d'un caractère se trouvent dans le registre, le compteur programmable avertit l'ordinateur qui lit alors le caractère en parallèle. La sortie du compteur programmable remet à zéro les compteurs et la bascule D afin que le circuit de réception se trouve à l'état initial et soit prêt à recevoir un nouveau caractère.

2.5 Types de transmission

2.5.1 Transmission en simplex

En simplexe les données peuvent être transmises dans un sens fixé à l'avance. La commande d'un relais ou l'affichage sur un moniteur vidéo sont des exemples de ce type de transmission d'ailleurs très peu utilisé en téléinformatique.

2.5.2 Transmission en semi-duplex

En semi-duplex, les données peuvent être transmises dans un sens ou dans l'autre, nécessitant comme support deux fils seulement. Le choix du sens de transmission est commandé par le terminal.

2.5.3 Transmission en duplex intégral

En duplex ou en duplex intégral, les données peuvent être échangées dans les deux sens à la fois, nécessitant ainsi deux paires de fils. Ce type de transmission est peu utilisé en téléinformatique. Les figures 2.6.a, 2.6.b et 2.6.c résument les trois types de transmission.

Transmission en simplex
Figure 2.6.a : Transmission en simplex.

Transmission en semi duplex
Figure 2.6.b : Transmission en semi duplex.

Transmission en duplex intégral
Figure 2.6.c : Transmission en duplex intégral.

2.6 Communication de données numériques entre deux ordinateurs

Pour établir une communication sérielle entre deux ordinateurs, un certain nombre d'équipements est requis pour le contrôle de la communication et l'adaptation des signaux au support de transmission. La figure 2.7 représente un diagramme synoptique d'un système de communication sérielle entre deux ordinateurs via une ligne téléphonique. Pour que les deux ordinateurs ou terminaux puissent échanger des données entre eux à chacun des sites, deux équipements de base sont indispensables: un DTE (Data Terminaison Equipement) et un DCE (Data Communication Equipement).

Synoptique d'un système de communication entre deux ordinateurs

Figure 2.7 : Synoptique d'un système de communication entre deux ordinateurs

Un équipement DTE (Data Terminaison Equipement) ou, en français, ETTD (Équipement terminal de traitement de données) est composé de l'ordinateur et d'un contrôleur de communication. L'UART est un exemple d'un tel contrôleur qui assure l'interface entre l'ordinateur et l'équipement DCE. L'équipement DCE (Data Communication Equipement) ou, en français, ETCD (Équipement de terminaison de circuit de données) est chargé d'adapter le signal électrique émis de l'UART aux caractéristiques du support de communication. Souvent, un équipement DCE est appelé modem parce qu'il permet au signal d'être modulé à l'émission et démodulé à la réception afin qu'il puisse être véhiculé par une ligne téléphonique. Lorsque la transmission et la réception se font en bande de base (sans modulation), cet équipement sert à adapter le signal numérique sériel aux caractéristiques du support de transmission utilisé (ligne de transmission ou fibre optique). Enfin, pour un échange adéquat des données et des signaux de contrôle entre un équipement DTE et un équipement DCE, des normes d'interface comme le RS-232 C ont été élaborées.

2.7 Interface sérielle et émetteur-récepteur asynchrone universel (UART)

L'UART (Universal Asynchronous Receiver Transmitter) est un sous-système complet disponible en un seul circuit intégré LSI et conçu pour la transmission et la réception de données asynchrones en mode duplex ou semi-duplex. L'émetteur de l'UART accepte les caractères en parallèle et les convertit en une suite binaire sérielle. Le récepteur convertit les données sérielles en données parallèles. En plus de ses fonctions de conversion, l'UART remplit également des fonctions de contrôle et de commande.

L'UART ajoute aux données transmises le bit de départ (START) et les bits d'arrêt (STOP).  En outre, c'est un circuit programmable qui permet de sélectionner :

-    la longueur du mot binaire (5, 6, 7 ou 8 bits).

-    le type de parité (paire, impaire ou sans parité).

-    le nombre de bits d'arrêt (1, 1,5 ou 2).

L'UART permet aussi de détecter les erreurs de parité, de format et de débordement. Enfin, un circuit UART peut fonctionner avec deux horloges séparées : une pour l'émetteur et une pour le récepteur. Cela permettra de transmettre et de recevoir à deux vitesses différentes, en cas de besoin.

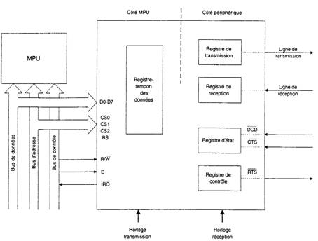
La figure 2.8 illustre un schéma fonctionnel d'un UART composé essentiellement des blocs suivants :

-    registres de transmission.

-    registres de réception.

-    registre d'état.

-    registre de contrôle.

Schéma fonctionnel d'un UART
Figure 2.8 : Schéma fonctionnel d'un UART

Il est facile, à la lumière des paragraphes précédents, de déchiffrer tout ce qui se trouve dans le schéma fonctionnel.

Plusieurs compagnies ont développé des circuits d'interface série adaptés à leurs systèmes de microprocesseurs. L'ACIA (Asynchronous Communication Interface Adapter) de Motorola en est un exemple. Des circuits USRT (Universel Synchronous Receiver Transmitter) ont également été développés; par exemple, le SSDA (Synchronous Serial Data Adapter) de Motorola et le 8251 A d'Intel (qui intègre les interfaces synchrone et asynchrone dans un seul boîtier). Les plus populaires demeurent cependant ceux de la série 82 dans les PC.

2.8 Communication par MODEM

Puisque le canal téléphonique a été conçu pour une communication vocale, sa bande passante et ses coupleurs ne permettent pas d'acheminer un signal numérique. Par contre, il est extrêmement intéressant d'utiliser le système téléphonique existant, accessible et universel, à cette fin; d'où l'invention du modem. Le mot modem vient de la contraction de deux mots: modulateur et démodulateur puisqu'il incorpore dans le même boîtier un modulateur qui accepte le signal numérique transmis et le convertit en un signal analogique « modulé » et un démodulateur qui convertit le signal analogique modulé reçu en signal numérique, La figure 2.9 représente un système de communication numérique entre deux points avec modems.

Système de communication numérique avec modems
Figure 2.9 : Système de communication numérique avec modems

2.9 Norme d'interface série RS-232 C

La norme d'interface RS-232 C a été définie comme standard d'interconnexion entre un équipement terminal (DTE) et un modem (DCE). Elle spécifie les caractéristiques mécaniques et électriques des interfaces et les gammes de tension utilisées pour représenter les niveaux logiques pour une vitesse maximale de 20 000 bps en mode synchrone ou asynchrone.  L'équipement terminal DTE est considéré comme équipement source et les noms des broches sont définis par rapport à lui.

2.9.1 Caractéristiques mécaniques

La plupart des équipements utilisant la norme RS-232 C sont munis d'un connecteur de type DB-25 sans que ce dernier fasse partie de la norme. Par contre, la norme RS-232 C définit le nombre et les numéros des broches. Normalement, un connecteur mâle se trouve du côté du terminal et un connecteur femelle du côté du modem. La norme spécifie également que la longueur maximale du câble est de 15 m (50 pieds) malgré que l'on puisse utiliser un câble plus long si la capacité de la charge le permet.

2.9.2 Niveaux logiques

La norme RS-232, dont la dernière version est le RS-232 C, a été mise au point avant l'avènement des circuits intégrés 'ITL. De plus, les équipements associés pouvaient générer des niveaux de bruits très importants. Pour ces raisons, une logique négative a été retenue où le 0 logique est représenté par une tension positive entre +5 et +15 Volts et le 1 logique par une tension négative entre -5 et -15 Volts. Le tableau 2.1 résume les états binaires et les tensions associées.

FONCTION

ÉTATS BINAIRES

TENSIONS

SIGNALISATION

Passive

1

négative (-5 à -1 5)

Marque

Active

0

positive (+5 à +15)

Espace

Tableau 2.1 : États binaires et tensions associées selon la norme RS-232 C

2.9.3 Lignes

La figure 2.10 illustre une connexion minimale entre un équipement DTE et un équipement DCE pour un fonctionnement en duplex-intégral. Cette connexion requiert trois lignes: une première pour la transmission, une deuxième pour la réception, et une troisième commune pour la masse logique ou de signalisation. Le terminal transmet alors sur la broche numéro 2 (données en émission) et reçoit sur la broche numéro 3 (données en réception). Le modem reçoit sur la broche numéro 2 et transmet sur la broche numéro 3. Tel que mentionné antérieurement, le connecteur mâle se trouve du côté du terminal et le connecteur femelle du côté du modem. Tout est conçu pour une connexion directe entre les deux équipements.

Une connexion minimale entre un DTE et un DCE
Figure 2.10 : Une connexion minimale entre un DTE et un DCE

Dans le cas d'échange de données entre deux équipements du mêmes types (deux DTE ou deux DCE), il faudra assembler un câble croisé pour que les signaux arrivent sur les bons fils (figure 2.1 1). Normalement, un câble reliant deux terminaux en vue d'échanger les fichiers et des données entre eux s'appelle un câble nul-modem (nul modem câble).

Différents cas d'échange entre des équipements de même types
Figure 2.11 : Différents cas d'échange entre des équipements de même types.

2.9.4 Signaux

La norme RS-232 C définit les circuits associés aux signaux nécessaires à un échange adéquat de l'information entre un terminal et un modem. Le tableau 2.2 donne la liste de ces signaux avec les lettres qui identifient chacun d'entre eux et le chiffre correspondant selon l'avis V24 de la CCITT. À chaque circuit on a associé deux lettres (la lettre S est ajoutée pour le canal secondaire) :

-    La première lettre est la lettre A lorsqu'il s'agit d'un circuit commun, AA, par exemple, pour la masse mécanique et AB pour la masse de signalisation ;

-    La première lettre est B pour les circuits de signalisation ;

-    La première lettre est C pour les circuits de contrôle ;

-    La première lettre est D pour les circuits de chronométrage.

Liste des signaux avec les lettres d'identification selon l'avis V.24
Tableau 2.2 : Liste des signaux avec les lettres d'identification selon l'avis V.24.

2.10 Description des circuits et des signaux

- Circuit AA (broche 1) : Masse mécanique ou de protection

Cette broche doit être reliée au châssis du modem et à la masse du secteur et éventuellement au châssis du DTE.

- Circuit AB (broche 7) : Masse logique ou de signalisation

Ce circuit constitue le point de référence pour tous les signaux de données et de contrôle.

- Circuit BA (broche 2) : Données en émission

Ce circuit est utilisé pour transmettre les données venant du terminal vers le modem. La ligne doit se trouver à l'état logique 1 en l'absence de transmission de données (ligne inactive). Le terminal peut commencer la transmission sur cette ligne si toutes les lignes de contrôle utilisées parmi les lignes suivantes se trouvent à l'état actif (0 logique):

- demande à émettre (RTS). Le terminal émet, sur cette ligne, un niveau 0 avenir le modem qu'il i des données à émettre;

- prêt à émettre (CTS). Le modem émet, sur cette ligne, un niveau 0 après avoir établi la connexion avec le modem lointain. Le canal de communication est alors prêt à transporter le signal-

- équipement de données prêt (DSR).  Le modem émet un niveau 0 sur cette ligne pour indiquer au terminal qu'il est connecté à la ligne téléphonique et fonctionne normalement. Le modem est alors en mode de transmission,

- terminal de données prêt (DTR). Le terminal émet un niveau 0 sur cette ligne pour permettre au modem d'entrer en mode de transmission et répondre automatiquement à un appel (si muni d'unité d'appel automatique). Lorsque cette ligne passe à l'état 1, le modem met fin à la communication;

- détection de la porteuse (CD). Sur cette ligne, le modem local émet un 0 pour indiquer au terminal qu'il reçoit la porteuse du modem lointain.

La figure 2.12 illustre une configuration impliquant les broches 2, 3, 4, 5 et 8 alors que la figure 2.13 présente le chronogramme des signaux correspondants.

Configuration d'une liaison entre un DTE et DCE
Figure 2.12 : Configuration d'une liaison entre un DTE et DCE.

Chronogramme des signaux correspondants
Figure 2.13 : Chronogramme des signaux correspondants.

Circuit CE (broche 22) :  Indicateur de sonnerie

Un modem possédant l'option «Réponse automatique» utilise cette ligne pour indiquer au terminal qu'il y a un appel en cours.

CIRCUITS DE CHRONOMÉTRAGE

En mode synchrone, il est nécessaire de pouvoir échanger les signaux d'horloge indépendamment des données. Pour y parvenir, la norme RS-232 C définit trois circuits de chronométrage:

- Circuit DA (broche 24) : Horloge d'émission

Cette horloge fait partie du terminal. Elle peut être envoyée sur ce circuit vers le modem.

- Circuit DB (broche 15) : Horloge d'émission

Cette horloge fait partie du modem. Elle peut être envoyée sur ce circuit vers le terminal.

Ces deux circuits de chronométrage sont utilisés pour synchroniser le flux de données au niveau du modem. Le signal d'horloge est fourni par le terminal ou le modem mais pas les deux à la fois. Normalement, les données sont transmises au modem sous le contrôle de l'horloge de ce dernier sur le circuit DB.

- Circuit DD (broche 17) : Horloge de réception

     Cette horloge fait partie du modem. Le signal d'horloge reçu sur ce circuit indique au terminal à quel instant il faut échantillonner les données reçues sur la ligne de réception.

Circuits additionnels de contrôle

- Circuit CG (broche 2 1) : Détection de la qualité du signal

Ce circuit, rarement utilisé, est conçu pour avertir le terminal dans le cas où le signal reçu ne correspond pas à la qualité exigée pour une bonne réception. Certains modems sont munis d'un voyant indiquant la qualité du signal reçue.

- Circuit CH (broche 23): Sélection de la cadence de données

Dans le cas d'un modem pouvant fonctionner à deux vitesses différentes, le terminal peut à travers ce circuit sélectionner la vitesse de transmission du terminal. Normalement, le niveau logique 0 sélectionne la haute vitesse.

- Circuit CI (broche 23) : Sélection de la cadence de données

La fonction de ce circuit est identique à celle du circuit CH, avec la différence que c'est le modem qui sélectionne la vitesse de transmission du terminal.

2.11 Norme RS-232 C et mode d'échange par matériel (HAND SHAKE)

Le mode d'échange contrôlé par matériel a pour objet d'échanger les signaux de contrôle entre le terminal et son modern afin de préparer le canal de communication à acheminer les données vers le modem lointain. La figure 2.14.a illustre la situation où l'ordinateur a des données à émettre vers le terminal. L'ordinateur commence par envoyer un 0 logique sur la ligne de demande à émettre (RTS). Après un court délai, le modem 2 répond en activant la ligne CTS (prêt à émettre) et en générant sa porteuse. Pourtant, l'ordinateur ne peut toujours pas transmettre puisque la ligne de détection de la porteuse (CD) du modem 1 est inactive.

La figure 2.14.b illustre la situation ou l'ordinateur transmet ses données après avoir reçu un 0 logique sur la ligne CD lui indiquant que le modem 1 est prêt à recevoir.

la situation où l'ordinateur a des données à émettre vers le terminal
Figure 2-14-a : Illustre la situation où l'ordinateur a des données à émettre vers le terminal.

Illustration de la situation où l'ordinateur transmet ses données après avoir reçu un 0 logique sur la ligne CD lui indiquant que le modem 1 est prêt à recevoir
Figure 2-14-b : Illustration de la situation où l'ordinateur transmet ses données après avoir reçu un 0 logique sur la ligne CD lui indiquant que le modem 1 est prêt à recevoir.

Les figures 2.15.a et 2.15.b montrent une situation identique à la précédente avec la différence que c'est le terminal qui a des données à émettre.

Illustre la situation où le terminal a des données à émettre vers l'ordinateur
Figure 2-15-a : Illustre la situation où le terminal a des données à émettre vers l'ordinateur.

Illustration de la situation où le terminal transmet ses données vers l'ordinateur après avoir reçu un 0 logique sur la ligne CD lui indiquant que le modem 1 est prêt à recevoir
Figure 2-15-b : Illustration de la situation où le terminal transmet ses données vers l'ordinateur après avoir reçu un 0 logique sur la ligne CD lui indiquant que le modem 1 est prêt à recevoir.

Enfin la figure 2.16 illustre le fonctionnement de ce mode en duplex intégral

Le fonctionnement de ce mode en duplex intégral
Figure 2.16 : Le fonctionnement de ce mode en duplex intégral.

2.12 Circuit d'interface

La figure 2.17 illustre un circuit d'interface entre un terminal et un modem selon la norme RS-232 C.

Circuit d'interface selon la norme RS-232 C
Figure 2.17 : Circuit d'interface selon la norme RS-232 C

Ce circuit doit satisfaire les caractéristiques électriques suivantes:

- L'émetteur doit appliquer une tension entre -5 et -15 V pour représenter l'état logique 1 et une tension entre +5 et+ 1 5 V pour représenter l'état logique 0.

- Le récepteur détecte un niveau 1 si la tension reçue est entre -3 et -15 V. Il détecte le niveau 0 si la tension reçue est entre +3 et + 1 5 V.

- La résistance totale de charge RL, en courant continu, doit être entre 3000 et 7000 W.

- La tension V0 ne doit pas excéder 25 V en circuit ouvert.

2.13 Interface TTL RS-232 C

Des circuits intégrés spécialisés sont conçus pour une interface directe entre les équipements fonctionnant avec les niveaux de tension selon la norme RS-232 C et ceux fonctionnant avec les niveaux TTL et inversement. Les circuits MC 1489 et MC 1488 en sont des exemples. Un circuit plus récent, le MAXIM-233, fournit des circuits d'interface dans les deux sens et ne nécessite qu'une alimentation unipolaire de +5 V.

Exemple 2.1

La figure 2.18 illustre une connexion entre un terminal et un modem selon la norme RS-232 C. Les broches utilisées sont montrées sur la même figure.

Connexion entre un terminal et un modem selon la norme RS-232 C
Figure 2.18 : Connexion entre un terminal et un modem selon la norme RS-232 C.

Exemple 2.2

La figure 2.19 illustre une connexion entre un terminal et un autre terminal selon la norme RS-232 C. Les broches utilisées sont montrées sur la même figure.

Connexion entre un terminal et un autre terminal selon la norme RS-232 C
Figure 2.19 : Connexion entre un terminal et un autre terminal selon la norme RS-232 C.

Exemple 2.3

La figure 2.20 illustre une connexion entre un terminal et un terminal en mode synchrone, à l'aide d'une horloge externe et selon la norme RS-232 C. Les broches utilisées sont montrées sur la figure.

Connexion entre un terminal et un terminal en mode synchrone, à l'aide d'une horloge externe et selon la norme RS-232 C
Figure 2.20 : Connexion entre un terminal et un terminal en mode synchrone, à l'aide d'une horloge externe et selon la norme RS-232 C.

Exemple 2.4

La figure 2.21 illustre une connexion entre un terminal et un terminal en mode synchrone, à l'aide d'une horloge fournie par le terminal 2, selon la norme RS-232 C. Les broches utilisées sont montrées sur la figure.

connexion entre un terminal et un terminal en mode synchrone, à l'aide d'une horloge fournie par le terminal 2, selon la norme RS-232 C
Figure 2.21 : connexion entre un terminal et un terminal en mode synchrone, à l'aide d'une horloge fournie par le terminal 2, selon la norme RS-232 C.

2.14 Norme RS-232 C et mode d'échange par logiciel

Lorsque les signaux de contrôle sont transmis comme les données sur les lignes de transmission et de réception, l'échange se fait sous le contrôle du logiciel en définissant un protocole d'échange. Le protocole le plus utilisé est le XON/XOFF. Sous ce protocole, le récepteur envoie à l'émetteur le caractère DC3 en ASCII lorsqu'il veut empêcher ce dernier de transmettre les données. Il envoie à l'émetteur le caractère DC1 en ASCII pour qu'il reprenne la transmission.

En pratique, le récepteur réserve pour les données une mémoire tampon (buffer) telle qu'illustrée à la figure 2.22.

Mémoire tampon associée au protocole XON/XOFF
Figure 2.22 : Mémoire tampon associée au protocole XON/XOFF

Supposons que la mémoire-tampon peut emmagasiner 256 caractères et que le récepteur vide le tampon à un taux moins élevé que le débit de l'information reçue. Lorsque le tampon devient presque plein, le récepteur envoie à l'émetteur le caractère DC3 qui sera reconnu par lui comme XOFF et, en conséquence, ce dernier arrête la transmission. Lorsque le tampon devient presque vide, le récepteur envoie à l'émetteur le caractère DC1 qui sera reconnu par lui comme XON et, en conséquence, il reprendra la transmission.

2.15 Limitation de la norme RS-232 C

La norme RS-232 C est relativement ancienne et possède des limitations importantes par rapport aux nouvelles exigences de la technologie de pointe. Elles peuvent être résumées comme suit:

- Vitesse de transmission maximum de 20 kbps sur une distance maximale de 15 mètres.

- Utilisation d'un seul fil par circuit avec une masse commune pour les deux sens de communication.

- Emploi d'émetteurs et de récepteurs non balancés,

- Les connecteurs ne sont pas spécifiés par la norme.

- Incompatibilité des signaux avec des circuits intégrés récents.

Alors au lieu de mettre au point une nouvelle version de la norme, L'EIA a décidé de définir un nouveau standard : ce sont les normes RS-422, RS-423 et RS-449.

2.16 Normes RS-422, RS-423 et RS-449

La norme RS-449 définit un jeu complet de signaux pour établir une liaison entre un équipement DTE et un équipement DCE.

La norme RS-422 A définit les caractéristiques électriques d'un circuit différentiel balancé.

La norme RS-423 A définit les caractéristiques électriques d'un circuit à un seul fil.

Pour comprendre la différence entre les caractéristiques électriques d'un circuit d'interface selon la norme RS-232 C et les caractéristiques électriques des circuits d'interface selon les normes RS-422 A et RS-423 A, 9 convient de faire un rappel de l'amplificateur différentiel et de ses configurations de base.

2.16.1 Amplificateur différentiel

La figure 2.23 donne la configuration de base de l'amplificateur différentiel:

la configuration de base de l'amplificateur différentiel
Figure 2.23 : la configuration de base de l'amplificateur différentiel.

Un amplificateur différentiel possède deux entrées du signal (Vil et Vi2) et deux sorties complémentaires (Vol et Vo2). Plusieurs configurations sont possibles dont un résumé est donné à la figure 2.24 indiquant les relations en amplitude et en phase entre les entrées et les sorties.

Si les deux entrées sont en opposition de phase, les signaux de sortie seront amplifiés et en opposition de phase l'un par rapport à l'autre (mode différentiel).

Si les deux entrées ont la même amplitude et la même phase (mode commun), les signaux de sortie seront théoriquement nuls. Cette propriété de l'amplificateur différentiel permet d'atténuer les bruits et les parasites pouvant se trouver à ses entrées en mode commun et de n'amplifier que les signaux en mode différentiel.

Une seule entrée (non-inversée) et deux sorties balancées
Figure 2.24.a : Une seule entrée (non-inversée) et deux sorties balancées

Une seule entrée (inversée) et deux sorties balancées
Figure 2.24.b : Une seule entrée (inversée) et deux sorties balancées

Deux entrées en opposition de phase, deux sorties balancées (tension de sortie
Figure 2.24.c : Deux entrées en opposition de phase, deux sorties balancées (tension de sortie

2 fois plus grande que celle des montages des figure 2.24.a et 2.24.b.

Deux entrées en phase, deux sorties théoriquement nulles
Figure 2.24.d : Deux entrées en phase, deux sorties théoriquement nulles

La figure 2.25 illustre un schéma impliquant deux circuits d'interface selon la norme RS-2,32 C. Le lien physique entre chaque paire émetteur-récepteur est réduit à un seul fil et à la masse logique. Si les deux équipements se trouvent dans le même bâtiment mais branchés sur différentes prises électriques, il est possible qu'une différence de potentiel entre les deux masses puisse se produire et le récepteur, dans certains cas, ne reconnaîtra pas le niveau logique reçu de l'émetteur. En plus, la présence de bruit peut introduire des erreurs et, par exemple, un niveau logique 1 en présence de bruit peut être interprété comme niveau logique zéro.

Deux circuits d'interface selon la RS-232 C
Figure 2.25 : Deux circuits d'interface selon la RS-232 C

La figure 2.26 donne le circuit d'interface selon la norme RS-423 A. Cette norme emploie une source de signal non balancée mais un récepteur différentiel. Ici, le récepteur détecte la différence de potentiel entre ses deux entrées, éliminant ainsi le problème d'une éventuelle différence de potentiel entre les deux masses. Le récepteur détecte un niveau logique 1 si A' est supérieur a B'. Le seuil de détection du signal est de 200 mV. Enfin, le bruit qui se trouve entre chacune des entrées et la masse (mode commun) sera fortement atténué.

Circuit d'interface selon la norme RS-423 A
Figure 2.26 : Circuit d'interface selon la norme RS-423 A

La norme RS-422 a une source de signal balancée et un récepteur balancé également. La source de signal transmet au récepteur, en même temps, deux signaux identiques en amplitude et en opposition de phase l'un par rapport à l'autre (mode différentiel). Ainsi le récepteur amplifie le signal reçu en mode différentiel. La figure 2.27 donne le circuit d'interface de la norme RS-422 A.

Circuit d'interface selon la norme RS-422 A
Figure 2.27 : Circuit d'interface selon la norme RS-422 A

2.16.2 Caractéristiques électriques

Le tableau 2.3 compare les caractéristiques électriques des trois circuits d'interface.

comparaison des caractéristiques électriques des trois circuits d'interface
Tableau 2.3 : comparaison des caractéristiques électriques des trois circuits d'interface.

2.16.3 Caractéristiques mécaniques

Contrairement à la norme RS-232 C, le standard RS-449 définit deux connecteurs: l'un de 37 broches (DE 37) et l'autre de 9 broches (DE 9). Le premier connecteur est réservé aux lignes véhiculant les signaux de base tandis que le deuxième l'est pour le canal secondaire. Les deux types de connecteurs sont illustrés à la figure 2.28.

Les deux connecteurs du standard RS-449 (BD37 et DB 9)
Figure 2.28 : Les deux connecteurs du standard RS-449 (BD37 et DB 9).

La liste des circuits d'interface est présentée au tableau 2.4 pour le canal principal et au tableau 2.5 pour le canal secondaire.

Circuits d'interface RS-449 pour le canal principal

Tableau 2.4 : Circuits d'interface RS-449 pour le canal principal.

Circuits d'interface RS-449 pour le canal secondaire
Tableau 2.5 : Circuits d'interface RS-449 pour le canal secondaire

2.17 Norme d'interface RS-485

Les normes d'interface RS-232 C et RS-449 ont été élaborées surtout pour une liaison point à point entre un équipement DTE et un équipement DCE. La EIA (Electronic Industries Association) a élaboré la norme RS-485 définissant les caractéristiques électriques des générateurs et récepteurs-de signaux binaires dans un système multipoint impliquant les équipements numériques.

La figure 2.29 montre un exemple d'un réseau multipoint impliquant un certain nombre d'équipements numériques qui nous sont familiers.

Exemple de réseaux multipoints
Figure 2.29 : Exemple de réseaux multipoints.

2.17.1 Caractéristiques électriques

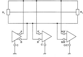
La figure 2.30 montre une configuration typique, selon la norme RS-485, impliquant un générateur, un récepteur, un générateur/récepteur, le câble de transmission et les résistances de terminaison.

Configuration typique selon la RS-485
Figure 2.30 : Configuration typique selon la RS-485

Chaque générateur peut piloter jusqu'à 32 unités de charge (spécifiées par la norme qui représente chaque générateur ou récepteur se trouvant à l'état passif).

2.17.2 Caractéristiques du générateur

Un générateur peut se trouver à l'état passif ou à l'état actif. Lorsqu'il se trouve à l'état passif, ses caractéristiques de charge doivent être spécifiées en nombre d'unités de charge équivalentes. À l'état actif, le générateur agit comme une source de tension balancée dont l'impédance interne est négligeable. Le générateur envoie au câble une gamme de tension entre 1,5 et 5 V.

2.17.3 États binaires

L'état logique 1 (passif) est généré à la sortie du générateur si la borne A est négative par rapport à la borne B. Par contre, l'état logique 0 (actif) est généré si la borne A est positive par rapport à la borne B.

2.17.4 Caractéristiques du récepteur

Le récepteur, tel que défini par la norme, est un récepteur différentiel possédant une haute impédance d'entrée.  Les seuils de détection se trouvent entre -200 mV et +200 mV et la gamme de tension entre A! et B' se trouve entre -7 et + 1 2 V.

2.17.5 États logiques

Pour détecter l'état logique 1, la borne A' du récepteur doit être négative par rapport à la borne B'.  Et pour détecter l'état logique 0, la borne A' doit être positive par rapport à B'.

Il est évident que les caractéristiques du générateur et du récepteur sont similaires à celles de la norme RS-422 A. Les générateurs et les récepteurs peuvent donc être conçus pour satisfaire les deux normes à la fois.

cours transmission RS-232 RS-422 RS-423 RS-449 synchrone asynchrone Code N dont M simplex semi-duplex telecommunication

Révisé le :21-12-2017 www.technologuepro.com Facebook Twitter RSS