Objectifs
- Caractériser la technique de multiplexage par répartition de fréquence FDM.
- Caractériser la technique de multiplexage par répartition de temps TDM.
- Associer la capacité d'un canal de communication au choix d'une technique de multiplexage.
- Reconnaître le rôle du Codec dans un système de multiplexage TDM.
- Identifier les différents niveaux de la hiérarchie FDM et TDM en téléphonie
6.1 Introduction
La bande passante d'un canal de communication typique Oigne torsadée, câble coaxial, fibre optique, etc.) est souvent beaucoup plus large que la bande passante nécessaire au signal. Pour utiliser plus efficacement la bande passante du canal choisi et donc en réduire le coût, il est intéressant de pouvoir transmettre en même temps plusieurs signaux (multiplexage par répartition en fréquence) ou de grouper les voies de transmission lentes pour les transmettre successivement sur le même canal en grande vitesse (multiplexage par répartition de temps.
6.2 Multiplexage par répartition en fréquence (FDM)
Cette technique rend possible la transmission, en même temps, sur un canal unique, de plusieurs signaux analogiques. C'est la plus ancienne des techniques de multiplexage. Toute personne possédant un appareil de radio ou de télévision est familière avec ce type de multiplexage puisque l'antenne reçoit en même temps plusieurs signaux, chacun modulé avec une porteuse unique. Il s'agit alors de sélectionner le canal désiré en ajustant le récepteur à la porteuse du canal choisi. Le principe général du FDM est illustré à la figure 6.1.
Plusieurs signaux analogiques peuvent être multiplexés ensemble en modulant chaque signal avec une porteuse différente des autres et en occupant une portion bien définie de la bande passante du canal de communication. En téléphonie, chaque signal occupe une bande de fréquence de 4kHz. Les supports de transmission employés pour acheminer ces signaux (fils, câbles, radio, satellites, etc.) possèdent des bandes passantes beaucoup plus larges.
![]()
Figure 6.1 : Principe de multiplexage en fréquence.
Le système téléphonique utilise le principe du multiplexage en fréquence pour transmettre simultanément plusieurs signaux. Une hiérarchie FDM téléphonique a été définie dans laquelle la technique de modulation utilisée est la BLU (Bande Latérale Unique) pour transmettre jusqu'à 600 voies téléphoniques multiplexées sur les supports comme des fils torsadés ou des câbles coaxiaux, et jusqu'à 1800 canaux sur un lien micro-onde. La hiérarchie nord-américaine est établie comme suit (figure 6.2).
Figure 6.2 : Hiérarchie FDMLe premier niveau de multiplexage regroupe 12 canaux en utilisant 12 porteuses différentes afin de générer 12 signaux BLU qui seront regroupés (multiplexés) pour former le groupe primaire (figure 6.3). Il faut noter que la différence entre deux porteuses adjacentes est de 4 kHz.
Figure 6.3 : Formation du groupe primaire
Le groupe secondaire (super group) est constitué de 5 groupes primaires et peut donc véhiculer 60 voies téléphoniques. Le groupe tertiaire (Master group) est composé de 10 groupes secondaires et véhicule 600 voies téléphoniques.
En transmission numérique, le FDM peut être utilisé après que les signaux numériques aient été modulés en amplitude ou en fréquence. La figure 6.4 montre un exemple où chaque signal numérique est modulé en FSK, Les signaux peuvent alors être multiplexés à condition que chacun des modems utilise des fréquences différentes. À la réception, chaque signal est séparé et dirigé vers sa destination par filtrage (le filtre fait normalement partie du modem). Une bande de séparation Cou de garde) doit être prévue entre les canaux pour faciliter le filtrage.
Figure 6.4 : Multiplexage FDM signaux numériques
6.3 Multiplexage par répartition de temps (TDM)
Plus moderne et mieux adaptée à la transmission numérique, cette technique permet de transmettre à grande vitesse plusieurs signaux numériques en série sur un seul canal de transmission. La figure 6.5 illustre le principe général du TDM où chaque canal occupe une portion de temps d'une trame formée par tous les canaux multiplexés.
Figure 6.5 : Principe du TDM.
Une trame peut être formée en regroupant les bits individuels venant de chaque canal (figure 6.6a), ou les caractères individuels (figure 6.6b), si la portion de temps allouée à chaque canal est suffisamment large.
Figure6.6 : Formation d'une trame: a) par bits, b) par caractères
Revenons à la figure 6.5 et supposons que l'on forme une trame par bits. On voit facilement que, séquentiellement, il faut débloquer chacune des portes ET (AND) pour transmettre séquentiellement les bits à la sortie. Un oscillateur à quartz et un circuit de chronométrage sont nécessaires pour fournir ces signaux de chronométrage S1 à Sn. Cette séquence sert aussi à établir la synchronisation entre le multiplexeur et le Demultiplexeur pour pouvoir reconnaître la position de chaque bit dans la trame. Il est clair que la vitesse de transmission du signal multiplexé doit être au moins n fois la vitesse de transmission de chacun des canaux.
Exemple 6.1
Tel que montré par la figure 6,7, un système TDM est utilisé pour multiplexer quatre (4) signaux numériques.
![]()
Figure 6.7 : Exemple de TDM de 4 signaux numériques.
Si chacun des canaux transmet à 1200 bps à la sortie du multiplexeur, la vitesse minimale de transmission doit être égale à 4800 bps.
6.3.1 MIC (PCM) et TDM
Au chapitre 4, nous avons étudié la modulation MIC (PCM). Grâce à ce type de modulation et à ses dérivés, le multiplexage temporel a commencé à faire son chemin en téléphonie et a gagné le terrain occupé par le multiplexage fréquentiel. Nous rappelons que le MIC consiste à échantillonner un signal analogique, à quantifier l'échantillon et à le transformer en un signal numérique comportant le même nombre de bits par échantillon. Le signal numérique qui en résulte doit être nus en série pour être transmis sur un support de télécommunication. En téléphonie, il est alors possible de multiplexer dans le temps plusieurs canaux téléphoniques modulés en MIC selon le principe du TDM et de former une trame regroupant les caractères venant de ces mêmes canaux.
6.3.2 Codec
Le codec est un circuit composé d'un codeur MIC ou Delta qui transforme un signal analogique en un signal numérique et d'un décodeur qui effectue la conversion inverse. La figure 6,8 donne le schéma d'une liaison téléphonique numérique utilisant un Codec fonctionnant en duplex intégral. Le transformateur hybride assure la conversion de 2 fils en 4 fils et inversement. Ensuite, un filtre passe-bas limite la bande du signal à 4 kHz tel que prévu par les normes internationales. Le codeur est constitué d'un échantillonneur bloqueur, d'un convertisseur A/N, d'un compresseur selon la loi ou la loi A et d'un convertisseur parallèle-série. Le décodeur est constitué d'un convertisseur série-parallèle, d'un convertisseur N/A et d'un &cuit d'expansion. Le signal analogique est filtré par un filtre passe-bas se trouvant dans le circuit de réception avant d'être envoyé vers le récepteur de l'appareil téléphonique. Selon les normes internationales, la fréquence d'échantillonnage est de 8 kHz et le convertisseur A/N fournit un code de 8 bits par échantillon. Le temps entre deux échantillons successifs est alors de 125 gs et la vitesse de transmission est de 64 kbps.
Figure 6.8 : Schéma bloc d'un Codec
6.3.3 Codecs et multiplexage TDM
Lorsque le signal téléphonique est converti en signal numérique série. A peut être multiplexé en TDM avec d'autres signaux du même type ou des signaux numériques venant de terminaux, ce qui permet d'intégrer les signaux analogiques et numériques et de les acheminer sur le même support de communication (figure 6.9).
Figure 6.9 : Système de multiplexage temporel intégrant les canaux téléphoniques et les données
Deux hiérarchies du multiplexage TDM sont présentes en téléphonie: l'une européenne et l'autre nord-américaine.
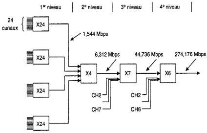
Selon la norme européenne, le premier regroupement consiste à multiplexer 32 canaux tandis que selon la norme nord-américaine, le premier regroupement regroupe 24 canaux. Un schéma bloc de chacun des systèmes et les vitesses de transmission associées apparaît dans les figures 6.10.a et 6.10.b
Figure 6.10.a : Hiérarchies TDM (PCM) téléphonique telle qu'utilisée en Amérique du Nord et au Japon
Figure 6.10.b : Hiérarchies TDM (PCM) téléphonique telle qu'utilisée en Europe, en Afrique, en Australie et Amérique du Sud.
6.4 Multiplexage temporel statique (STDM)
Aussi appelé intelligent, ce type de multiplexage procède par une allocation de temps dynamique n'accordant pas une portion de temps complète dans la trame pour un port inactif.
Cette allocation dynamique de temps accroît l'efficacité du canal de transmission par un facteur de 10 environ, lui permettant de transmettre à un taux plus faible que le taux nécessaire à multiplexer le même nombre de canaux par un système TDM; ou de desservir un plus grand nombre d'équipements en transmettant à la même vitesse que l'autre. Évidemment, une portion de temps doit être réservée pour l'adresse du port et les données de contrôle, mais ce dernier temps reste de loin plus petit que celui réservé à un canal inactif (figure 6.1 1).
Figure 6.11 : Comparaison entre une trame TDM et une trame STDM.
Une trame STDM peut être fixe ou variable. Le temps alloué dans la trame à l'information venant de chaque canal est variable, permettant si nécessaire de servir plus longtemps le terminal transmettant plus d'information. Il est évident que toutes les versions du STDM requièrent des mémoires tampons (buffers).
La figure 6.12 illustre une configuration point par point utilisant des multiplexeurs temporels. Si l'on compare cette configuration avec celle de la figure 6.4, on remarque qu'un seul modem à chaque bout est nécessaire dans le cas de multiplexage temporel tandis que la même configuration utilisant le multiplexage fréquentiel requiert un modem pour chaque source de données entraînant un coût global plus élevé. Pourtant, dans un système multipoint, le FDM permet de détecter l'information venant de n'importe quel canal, n'importe où entre deux points, par l'intermédiaire d'un modem. Dans le cas d'un multiplexage temporel, il faut démultiplexer tous les canaux pour sélectionner un canal en particulier (figures 6.13.a et 6.13.b).
Figure 6.12 : Système de transmission avec multiplexage temporal.
Figure 6.13.a : Système FDM(multipoint).
Figure 6.13.b : Système TDM (multipoint).
6.5 Les concentrateurs
Un concentrateur réalise la fonction du multiplexage par manipulation logique. Il assure aussi des fonctions de communication et de transport. La différence essentielle entre un multiplexeur et un concentrateur réside dans le fait que le multiplexeur est transparent - ce qui veut dire que le nombre de sources de données disponibles à l'entrée et à la sortie est le même - tandis que le concentrateur qui regroupe l'information de n sources transmet l'information de m sources seulement (m < n). Normalement, un concentrateur est un mini ou un micro-ordinateur qui, en plus de multiplexer les données, réalise les fonctions
suivantes:
- augmente la vitesse de transmission;
- vérifie les erreurs;
- ajoute des données d'identification au message;
- emmagasine temporairement des caractères, des mots et des messages entiers;
- modifie le format de message ;
- effectue la scrutation (polling).
cours transmission RS-232 RS-422 RS-423 RS-449 synchrone asynchrone Code N dont M simplex semi-duplex telecommunication
Révisé le :21-12-2017 www.technologuepro.com Facebook Twitter RSS